产品展示
一家通风环境改善解决方案服务商,大气污染治理(油烟净化,酸雾处理,除尘除臭,黑烟处理,有机废气处理)环保净化服务方案服务商
一家通风环境改善解决方案服务商,大气污染治理(油烟净化,酸雾处理,除尘除臭,黑烟处理,有机废气处理)环保净化服务方案服务商


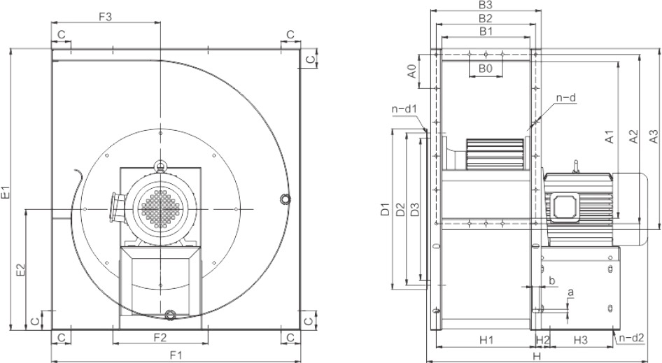
| 型号 | 出风口 | 进风口 | |||||||||||
| A0 | A1 | A2 | A3 | B0 | B1 | B2 | B3 | n-d | D1 | D2 | D3 | n-d1 | |
| 2.5A | 104 | 280 | 312 | 343 | 0 | 160 | 190 | 220 | 8+2-Φ8 | 310 | 285 | 255 | 8-Φ10 |
| 2.8A | 115.5 | 315 | 346.5 | 378 | 0 | 180 | 210 | 240 | 8+2-Φ8 | 350 | 315 | 285 | 8-Φ12 |
| 3.15A | 129 | 355 | 387 | 4180 | 200 | 230 | 260 | 8+2-Φ8 | 390 | 355 | 320 | 8-Φ12 | |
| 3.55A | 108 | 400 | 432 | 462 | 0 | 225 | 255 | 285 | 10+2-Φ8 | 430 | 395 | 360 | 8-Φ12 |
| 4A | 123.5 | 450 | 494 | 536 | 97 | 250 | 290 | 330 | 10+4-Φ8 | 475 | 440 | 405 | 8-Φ12 |
| 4.5A | 136 | 500 | 544 | 586 | 107 | 280 | 320 | 360 | 10+4-Φ8 | 530 | 490 | 455 | 8-Φ12 |
| 5A | 120.5 | 560 | 602.5 | 644 | 118 | 315 | 355 | 395 | 12+4-Φ10 | 580 | 540 | 505 | 12-Φ12 |
| 5.6A | 112 | 630 | 672 | 714 | 132 | 355 | 395 | 435 | 14+4-Φ10 | 650 | 610 | 565 | 12-Φ14 |
| 6.3A | 125.5 | 710 | 753 | 799 | 222 | 400 | 445 | 490| | 1416-Φ10 | 730 | 680 | 635 | 12-Φ14 |
| 型号 | 电机功率 KWw |
外形及安装尺寸 | C | 重量 KG |
||||||||||
| E1 | E2 | F1 | F2 | F3 | H | H1 | H2 | H3 | axb | | n-d2 | ||||
| 2.5A | 4-0.75kw | 515 | 220 | 470 | 220 | 220 | 465 | 190 | 45 | 110 | 10×16| | 4-Φ10 | 50 | 45 |
| 2.8A | 4-1.5kw | 565 | 238.5 | 520 | 240 | 238.5 | 530 | 210 | 40 | 140 | 10x16 | 4-Φ12 | 50 | 60 |
| 3.15A | 4-2.2kw | 653 | 270 | 580 | 265 | 270 | 585 | 230 | 45 | 160 | 10x16 | 4-Φ12 | 50 | 78 |
| 3.55A | 4-3kw | 710 | 303 | 655 | 265 295 |
303 | 610 620 |
255 | 45 | 160 180 |
10x16 | 4-Φ12 | 50 | 75 82 |
| 4-4kw | ||||||||||||||
| 4A | 6-3kw | 800 | 336 | 730 | 325 | 336 | 730 770 |
290 | 51 | 225 | 13x25 | 4-Φ13 | 70 | 128 145 |
| 4-7.5kw | ||||||||||||||
| 4.5A | 6-4kw | 900 | 383 | 800 | 330 | 360 | 795 | 320 | 51 | 225 | 13x25 | 4-Φ13 | 70 | 150 155 |
| 6-5.5kw | ||||||||||||||
| 5A | 6-5.5kw | 1000 | 430 | 890 | 360 410 |
390 | 830 880 |
355 | 51 | 225 280 |
13x25 | 4-Φ13 | 70 | 160 205 |
| 6-7.5kw | ||||||||||||||
| 5.6A | 6-7.5kw | 1110 | 477 | 990 | 410 | 435 | 915 960 |
395 | 51 | 340 | 13x25 | 4-Φ13 | 70 | 245 265 |
| 6-11kw | ||||||||||||||
| 6.3A | 6-11kw | 1250 | 535 | 1120 | 420 445 |
490 | 1025 1090 |
445 | 71 | 310 350 |
13x25 | 4-Φ13 | 65 | 282 328 |
| 6-15kw | ||||||||||||||
